
Rozpojitelný systém PEN-D 300, 568810
Product information
3 285,96 Kč/ 1 ks
Cena s DPH
3 976,01 Kčs DPH
Není skladem
Objednací kód: ER-PEN-D 300
Katalogové číslo: 568810
Výrobce: Nvent - Erico Eriflex Caddy
Zaslat dotaz na tento produkt
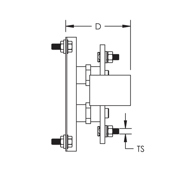
- Délka sběrnic
- Střed centrální
- Hloubka
- 78,2
- Max. jmenovitý proud
- 630
- Počet pólů
- 1
- Šířka
- 128
- S krytem
- Ano
- Tloušťka přípojnic
- 10
- Výška
- 170
Frequently Asked Questions
Podobné produkty

ER-FADV2MTC4X24X1
skladem (4)
Flexibar Advanced 2 m pocínovaný 4X24X1, 534018
2 237,77 Kč / 1 ks
2 707,70 Kč s DPH

ER-FADV2MTC6X32X1
skladem (3)
Flexibar Advanced 2 m pocínovaný 6X32X1
4 471,73 Kč / 1 ks
5 410,79 Kč s DPH

ER-FADV2MTC10X24X1
skladem (4)
Flexibar Advanced 2 m pocínovaný 10X24X1, 534022
5 422,59 Kč / 1 ks
6 561,33 Kč s DPH

ER-FLEXIBAR 6x13x0,5
skladem (1)
VÝBĚH Flexibar 6x13x0,5 - 2 metry, 552450
557,07 Kč / 1 ks
674,05 Kč s DPH